-
Hawai‘i Island's Drinking Water Sources
Hawaiʻi Island relies primarily on underground water sources for drinking water, which are all dependent on a combination of natural factors: northeast trades, high mountain ranges, and the island’s geological landscape. The NE tradewinds drive clouds filled with moisture inland, the mountain ranges (Mauna Kea, Mauna Loa, Kīlauea, Hualālai, and Kohala) capture and force moisture-filled clouds to higher elevations which result in rainfall on watershed areas. Hawaiʻi Islands volcanic landscape serves as a natural filter and underground storage system of water. Rainwater percolates into the earth, naturally filtered by porous volcanic rock, and stored in aquifers. The aquifers are an underground freshwater reservoir storage from which the Department of Water Supply sources water to deliver to homes. Water is pumped from a network of shafts, water tunnels, and many wells then conveyed to homes through mains, booster systems and reservoirs. Homes / areas that do not have access to the municipal water system rely on rainwater catchment systems or private groundwater wells to collect and supply water for household use.

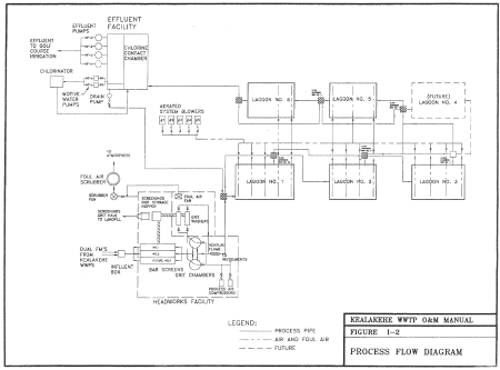
- Kealakehe WWTP Facility
Do You Know What Happens After You Flush?
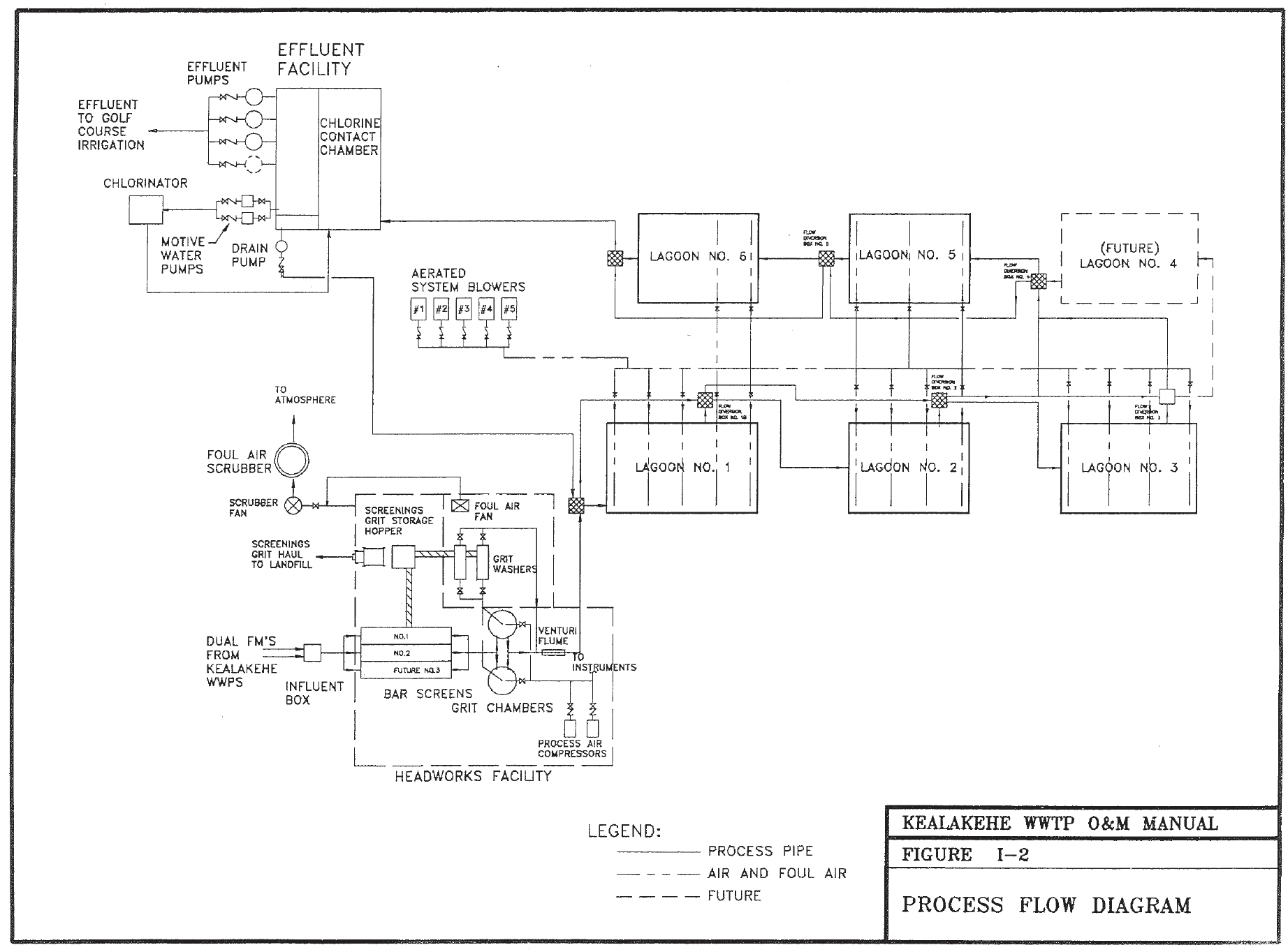
- Kealakehe WWTP Facility


